自疫情以來作為歐姆龍代理商的廣州鼎悅電子科技不斷在為測溫產品做努力,并在歐姆龍紅外溫度傳感器的基礎上自主開發了測溫模組,為助力校園考勤防疫管理。 校園測溫考勤機的根本意義在于,準確的控制學生入校離校考...
2021-03-11
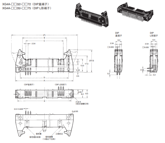
在選擇歐姆龍連接器時,看到連接器說明書上面一連串的參數往往不知從何入手。 那我們就來講講選擇連接器的主要有三大指標。 1.連接器的機械性能 就連接的功能而言,插拔力是重要的機械性能。插拔力分為插入力...
2021-03-09
機器人是一種能夠半自主或全自主工作的智能機器。機器人具有感知、決策、執行等基本特征,可以輔助甚至替代人類完成危險、繁重、復雜的工作,提高工作效率與質量,服務人類生活,擴大或延伸人的活動及能力范圍。...
2021-03-08
激光雷達是指同時發射及接收激光旋轉測距雷達,市場上目前單線及多線激光雷達。激光雷達其原理和構造與激光測距儀極為相似。科學家把利用激光脈沖進行探測的稱為脈沖激光雷達,把利用連續波激光束進行探測的稱為連...
2021-03-08
疫情當下,體溫異常是新冠肺炎的主要癥狀,目前市場上常用的體溫槍、溫度計等檢測設備,但需要人工去檢測,對于高鐵站、機場、地鐵站、車站人流密集的場所需要投入大量的人力物力,人流密集的地方需要挨個排查篩選...
2021-03-04
體溫檢測作為當下控制疫情傳播、快速鎖定體溫異常人員的重要手段,在抗擊疫情的攻堅戰中起著重要作用。尤其像在公共場所如車站、工廠、園區、學校等人員較密集的場所。 傳統的體溫槍檢測效率太低,人力成本高,檢...
2021-03-04點擊咨詢
電話咨詢
QQ咨詢
微信咨詢
回到頂部